产品简介:
KE6630S光伏采集器按照国家电网《电力用户用电信息采集系统》系列标准,《DL/T645多功能电表通讯规约》,《MODBUS通讯规约》等标准,采用最新高速32位嵌入式微处理器和嵌入式实时操作系统进行设计。
该采集器通过下行通道自动抄读各种电能表和逆变器以及环境监测仪的数据。同时能通过上行通道与主站进行数据交换。其下行通道支持2路RS-485通信接口,能够连接不同规约的电能表,光伏逆变器及环境监测仪;上行通道支持GPRS和WIFI网络,采用模块化设计,可通过更换通信模块直接改变通信方式;维护通道具有一路红外通信接口,可以通过手持单元实现采集器参数维护和数据抄读。
该采集器具有数据采集、数据处理和存储、参数设置和查询、事件记录、数据传输、任务定制与上报、本地程序升级维护、远程程序升级维护等功能。
采集器作为光伏发电系统所有数据的采集终端,是光伏监控系统的重要配套产品,和光伏监控主站配合实现对分布式光伏的集中监测,是实现智能电网系统中具有较高的实用价值的采集器产品。

技术参数:
| 项目 | 技术指标 | |
| 工作电压 | AC176V~264V | |
| 工作频率 | 50Hz,-6%~+2% | |
| 工作温度 | -40℃~+70℃ | |
| 相对湿度 | 10%~100% | |
| 远程通信 | GPRS无线、WIFI | |
| 本地通信 | 红外、RS232/RS485 | |
| 参数及数据存储容量 | 4MBytes | |
| 整机功耗 | 视在功耗≤5VA、有功功耗≤3W | |
| 电池寿命 | ≥10年 | |
| 平均无故障时间 | MTBF≥7.6×104 h | |
| 电磁兼容 | 静电放电 | 8KV |
| 485回路直接放电8KV | ||
| 快速脉冲群 | 4KV(电源回路) | |
| 2KV(信号回路) | ||
| 浪涌 | 4KV (共模) | |
| 2KV (差模) | ||
| 工作电压 | 冲击电压 | 6KV |
| 工频耐压 | 2KV | |
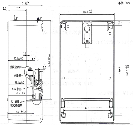
采集器侧视/后视尺寸示意图:


主要功能:
1) 数据采集:
采集器通过2路RS-485通信接口能够连接4块不同规约的电能表,8台光伏逆变器和3个环境监测仪。电能表的基本通信规约为DL/T645-2007、DL/T645-1997,支持各种逆变器和环境监测仪的通信规约,并可定制指定的规约。
采集器能按设定的时间间隔采集、存储电能表及逆变器数据,采集数据包括:电能表的当前有功电能示值、无功电能示值;逆变器的发电量,各相电压、电流,实时功率,逆变器的状态,环境温度,太阳辐照度,风向,风速等。按规定的时间间隔主动上报所有数据给主站,实时采集,定时上报。
2)数据处理:
采集器采集和计算生成的数据为实时和当前数据。采集器收到数据解析后存储,在上报主站时取出数据经过规约转换后上传。
3)参数设置和查询:
可以通过手持单元、主站等召测和设置时钟、抄表参数、通信参数等,可以通过手机设置WIFI 参数。
4) 维护管理:
可通过手持单元和主站对终端进行参数设置和查询,可通过USB或本地串口对终端程序进行本地升级,可以通过GPRS或者WIFI对终端程序进行远程升级。
5)故障恢复:
自检自恢复、参数及数据区初始化等。